Having salt water in my veins, I’ve never been east of Kamloops. Actually, I’m on Quadra. Moved here from Kyuquot (wife got “bushed”).
Just make sure you have dry air, and good air pressure. Don’t over think/ engineer it. I run 2 inline desiccant air driers ($40 dewalt re-filable, and 1 amazon knockoff small one) at the input to my plasma. Once they turn pink/clear put new/ refreshed silica beads (again off amazon) and you’ll be fin. Amazing cut quality, long life on electrodes. Just spend time understanding your system, settings, ambient air, and adjust speed, height, and volts from there.
Looks interesting
@curmudgeon That is a fancy coalescing Filter.
I think one of the drawbacks would be the small fittings on that unit. The pressure drop would be extreme.
When you setup the Derale, there have been discussions about which way to orient it so it does not accumulate water inside. I don’t have a picture to attach, but if you study the angle of the coils in whatever position you chose, look at the water flow angle to make sure it can flow downward.
45 degrees. So the tubes are flat and the water can not be trapped. An older gentleman did a pretty good video documenting his system. I appreciate the reminder. There is so much information on here and its all over the place. I have spent to many hours reading. Had I been cutting or finishing my powder coating oven build I probably would have made more money than I have saved building my air drying system.
I’m going to leverage my Crossfire Pro and Powder Coating oven to purchase a large CNC Mill and Lathe Next year. Been watching many people talk about their journeys. Once guy talks about spending $7000 dollars on curriers to run errands. But that $7000 spent allowed him to save an average of 10 hours per week. 500 hours a year at $100-200/hour.
That has really put things into prospective. Which is why I’m building the powder coating oven. I waste alot of time waiting on powder coating and have lost a few jobs because of the delay. Cutting a 6 minute project and waiting 10-14 days for powder coating to be done.
Humor me….
Why couldn’t this be made using these inexpensive Vevor heat exchangers, a raspberry pi with an arduino and cheap front panel display, a few thermocouples, and a thermostat/relay?
And would you run a water line into the exchanger so the heat can be rejected?
Depending on your incoming water temperature it would be a good option to get your air temperature down to 55 f maybe?
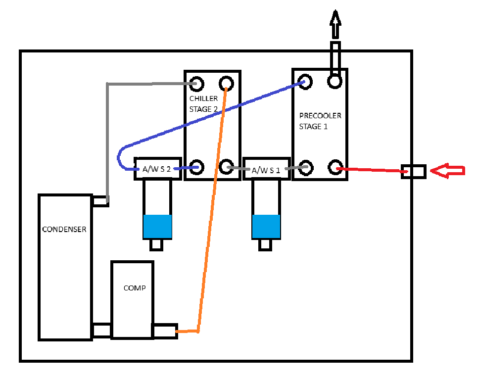
From your diagram it looks like you’re going to run a DX system
I was thinking just a typical fan mounted condenser for the refrig system.
Why only 55F? What’s the magic in the harbor freight system that gets it to freezing temp?
DX?
If you were just using groundwater by itself instead of a DX system
Refrigeration
Direct Expansion, got it, yes that’s the intent. There’s no water in the loop, just compressed air and a refrig system. Heat rejected to air. Or am I completely upside down in thinking that these heat exchangers wouldn’t work with refrigerant on one side, compressed air on the other?
Idea is that hot/wet compressed air is precooled, chilled (hopefully to really cold <32F), dropping out all condensate, then using the dry chilled air to precool the incoming instead of wasting the work.
Hopefully not.
You don’t want to get into a situation where you end up causing a frozen plug.
I’m sure it would work. It freeze up monitoring would be a concern
Would be monitoring the outlet of the 2nd stage anyways for fault detection. Would just need to pulse the compressor to keep it above 32F, with some buffer so the condensate doesn’t ice.
Out of curiosity. Do you think at the end of the day this will function better than a readily available refrigerated air dryer?
![]()
Just a thought experiment as to what could be put together if a refrigeration system already existed (mini fridge etc), and $100 was spent on some heat exchangers. I’ve crunched no numbers on it, and don’t even know what size refrig would be necessary. I just can’t see why they’re $600 at the base/entry and $X000 for the larger name brand systems. Also I figured using a regen system would help with work loss and efficiency of the system as a whole.
Doing research on how to plumb and set my HF RAD up, my main concern was that I still have to run a pre-cooler (derale) or enough hose before it to make sure my air was below inlet air temp maximum for it to properly function (that and the thing didn’t even come with a power cord for me to test it out of the box).
Another thing you could do for a DX system which would pretty well andnegate freeze up is if you could push about 50 ft of 3/8 line into your 80 gallon compressor tank and use that as your evaporative coil in your refrigeration loop..
yea, but how much volume of that 80 gals is lost in the process? …and 50 ft of compressed air flex hose, or copper?
Adding a fan to the Derale changing it from a passive heat exchanger to an active heat exchanger would help out the situation a great deal.
